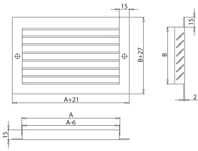
Решетки переточные с горизонтальным расположением нерегулируемых жалюзи используются для монтажа в дверной или стенной проем, межкомнатные перегородки для перераспределения воздуха между помещениями.
Решётки состоят из двух рам — наружной и внутренней, на которых неподвижно закреплены горизонтальные жалюзи, препятствующие обзору сквозь решётку.
Решетки монтируются с помощью винтового соединения (монтажные отверстия расположены на лицевой стороне рамки). Окрашиваются порошковой полиэфирной краской. Стандартный цвет — белый RAL9016. Также возможно окрашивание в любой цвет согласно каталогу RAL.
Решетки изготавливаются как стандартных типоразмеров, так и по заказу.

Фильтр по заголовку     Количество строк:  
Заголовок материала Автор Хиты
 

Кто на сайте

Сейчас 43 гостей онлайн

Авторизация